TO9 金属LED灯珠 5mm蓝光红光绿光紫光 F5金属封装 TO9大功率封装激光二极管(多模)

品牌: 台宏光电
型号:TH-TO9-V450S-QS-G1-5W
产品尺寸 :9*5mm TO金属封装
封装波长:蓝光450nm 激光二极管 TO9 5000mW (5瓦) 440-455nm封装
种类: 激光器 (TO9系列激光发光二极管)
| 发光颜色:波长 | 波长 | 电压 | 电流 | 功率 |
|---|---|---|---|---|
| 紫光 | 405nm | 1000mW(1瓦) | ||
| 蓝光 | 435nm | 3500mW(3.5瓦) | ||
| 蓝光 | 450nm | 5000mW(5瓦) | ||
| 绿光 | 520nm | 500mW(0.5瓦) | ||
| 红光 | 640nm | 1000mW(1瓦) |
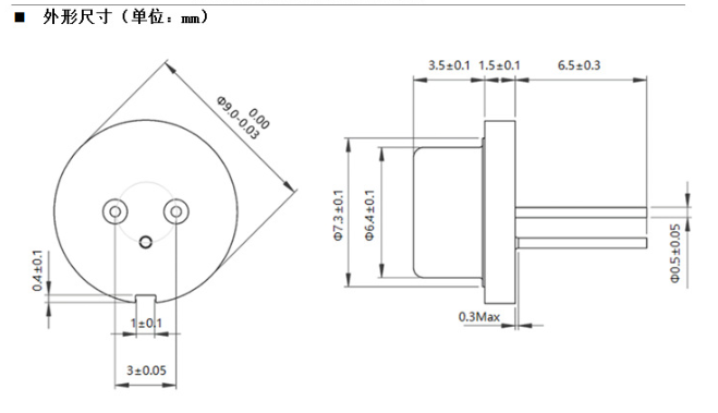
尺寸图:

包装方式:

激光二极管应用:激光雷达,舞台灯,生发帽、激光测距,安全监测,科研试验,光通信等激光二极管多种功能应用。
TO9灯珠,采用TO封装,封装尺寸:9.0*5mm,焊接方式:波峰焊,采用高可靠性封装材料,使用稳定。
特点:体积小,功耗低,指向性好,环保符合RoHS标准。
备注:台宏光电金属封装可以根据不同需求选择TO46、TO9、TO18和TO56规格, 甚至还有一些其它规格TO系列,可以进行个性化定制,满足你不同的细分领域项目需求。详情参数及规格书,样品测试请咨询台宏光电客服工程师 400-689-8189 或 微信 13537583692 确认。


